ケミフィットC1 Yジヨイント(ミリサイズ)EY8-R1/4-C1 適用チューブ外径8mm
商品コード: 103-30608
非常備品
適用チューブ外径8mm Rネジ1/4インチ
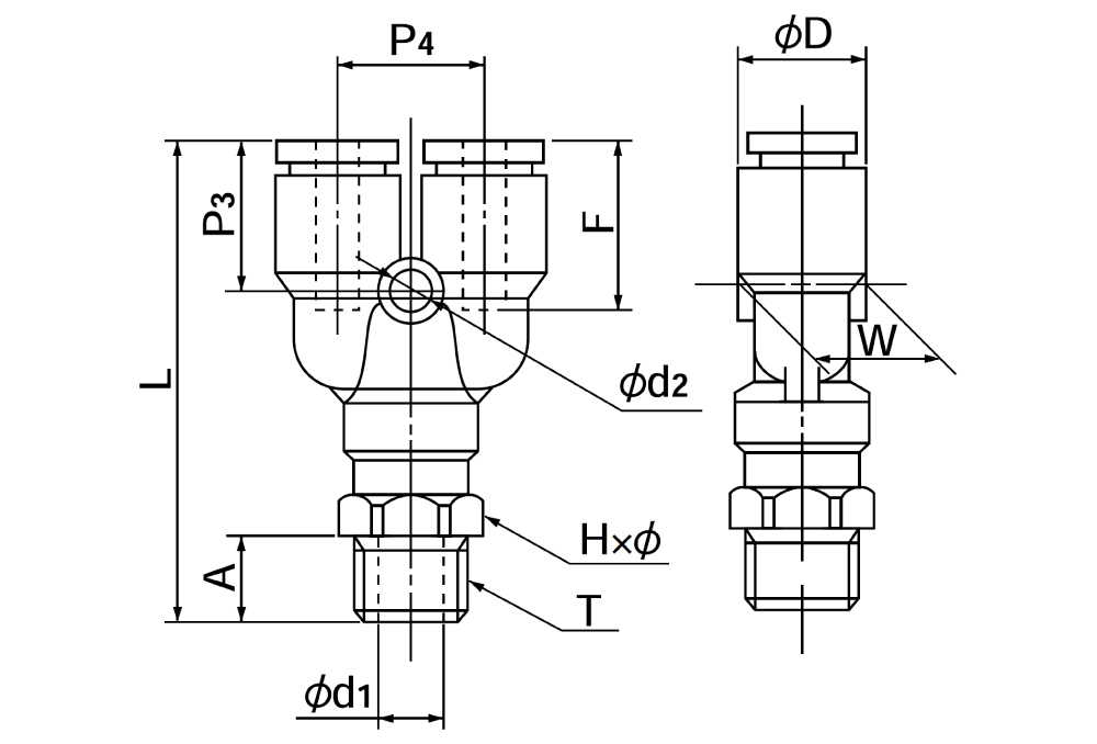
●寸法(mm)/ L:52.3 A:12.0 F:16 H×φ二面幅:14.0×15.4 P3:16.8 P4:14.2 W:14.5 D:15.0 d1:6.5 d2:4.2
●寸法(mm)/ L:52.3 A:12.0 F:16 H×φ二面幅:14.0×15.4 P3:16.8 P4:14.2 W:14.5 D:15.0 d1:6.5 d2:4.2
【特長】
●完全禁油処理です。
・クリーンルーム内で部品洗浄し、組立しています。
シール材にも一切油脂類は使用していません。
●ワンプッシュ接続
・チューブ接続に冶具工具は不要です。
●接液部は非金属です。
・流体が金属に触れることがありませんので金属イオンの溶出がありません。
●無発塵・非汚染性に優れています。
・特殊ポリプロピレン樹脂を素材としています。
●内面平滑性に優れています。
・射出成形で内面が滑らかです。
●二重クリーン梱包
・クリーンルーム内で1個ずつパックし、更にチャックシール袋に梱包しています。
●厚生省告示370号(食品衛生法)適合
・原材料はポジティブリストに収載
【仕様】
●品番:EY8-R1/4-C1
●形状:Yジョイント (ミリサイズ)
●適用チューブ外径(mm):8
●ネジ規格(インチ):R1/4
●材質
・ボデイ、アダプター:特殊ポリプロピレン樹脂
・ロックリング、カラー:SUS301,304(ステンレス)
・チューブシール、Oリング:EPDM
●寸法F チューブ挿入長さ(mm):16
●最小内径(mm):6.5
●有効断面積(mm2):20.0
●質量(g):9.0
●使用温度範囲
(空気)-20℃~+80℃
(水)0℃~+80℃
●最高使用圧力:0.7MPa(7.0Kgf/cm2)at20℃
●負圧性能(kPa):-99.975
【用途】
●クリーン環境
●クリーンエア・純水・薬液配管用
※薬品類の使用温度範囲は、お問い合わせください。
【注意】
※水で使用する場合は、凍結しないようにご注意下さい。
掲載カタログNo-頁 : 10000-0894
●完全禁油処理です。
・クリーンルーム内で部品洗浄し、組立しています。
シール材にも一切油脂類は使用していません。
●ワンプッシュ接続
・チューブ接続に冶具工具は不要です。
●接液部は非金属です。
・流体が金属に触れることがありませんので金属イオンの溶出がありません。
●無発塵・非汚染性に優れています。
・特殊ポリプロピレン樹脂を素材としています。
●内面平滑性に優れています。
・射出成形で内面が滑らかです。
●二重クリーン梱包
・クリーンルーム内で1個ずつパックし、更にチャックシール袋に梱包しています。
●厚生省告示370号(食品衛生法)適合
・原材料はポジティブリストに収載
【仕様】
●品番:EY8-R1/4-C1
●形状:Yジョイント (ミリサイズ)
●適用チューブ外径(mm):8
●ネジ規格(インチ):R1/4
●材質
・ボデイ、アダプター:特殊ポリプロピレン樹脂
・ロックリング、カラー:SUS301,304(ステンレス)
・チューブシール、Oリング:EPDM
●寸法F チューブ挿入長さ(mm):16
●最小内径(mm):6.5
●有効断面積(mm2):20.0
●質量(g):9.0
●使用温度範囲
(空気)-20℃~+80℃
(水)0℃~+80℃
●最高使用圧力:0.7MPa(7.0Kgf/cm2)at20℃
●負圧性能(kPa):-99.975
【用途】
●クリーン環境
●クリーンエア・純水・薬液配管用
※薬品類の使用温度範囲は、お問い合わせください。
【注意】
※水で使用する場合は、凍結しないようにご注意下さい。
掲載カタログNo-頁 : 10000-0894もしかして....

