プッシュワンE継手 ユニオンコネクタ(ミリサイズ) EUC12
商品コード: 103-24505
非常備品
適用チューブ外径12㎜
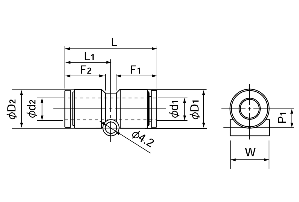
●寸法(mm)/ L:43.6 L1:21.8 P1:9.8 F1:20 F2:20 D1:20.0 D2:20.0 W:20.0
●寸法(mm)/ L:43.6 L1:21.8 P1:9.8 F1:20 F2:20 D1:20.0 D2:20.0 W:20.0
【特長】
●先端が直角にカットされたチューブ(ミリサイズ規格)を差し込むだけで簡単に取付できるプッシュワン接続構造のチューブ用継手です。
※チューブの接続には、冶具・工具は不要です。
●難燃性樹脂(UL94規格V-0相当)採用。
※材料に難燃性PBT樹脂採用しています。UL94規格V-0相当で、自己消火性に優れています。スパッタが飛散する環境下で使用できます。
【仕様】
●品番:EUC12
●形状:ユニオンコネクタ(左右同径)ミリサイズチューブ用
●適用チューブ外径(mm):12
●寸法F チューブ挿入長さ(mm):20
●最小内径(mm):11.0
●有効断面積(mm2):67.0
●質量(g):19.0
●使用温度範囲(℃)
・空気:-20~+80
・水:0~+40
●最高使用圧力(MPa):1.0(10Kg/cm2)at 20℃
●材質
・ボデイ(本体)、リリーススリーブ:難燃性PBT樹脂
・チューブシール:特殊NBR
【用途】
●耐スパッタ
●難燃性チューブフィッテイング
●使用流体
・空気、水、薬液配管用
※薬品類の使用温度範囲は、お問い合わせください。
【注意】
※水をご使用の場合、可動部分での配管は避けてください。
●クリーンな環境下で使用する場合は、クリーンレベルの低下に注意してください。
クリーン環境下用フィッテイングはケミフィット継手をご検討ください。
掲載カタログNo-頁 : 10000-0878
●先端が直角にカットされたチューブ(ミリサイズ規格)を差し込むだけで簡単に取付できるプッシュワン接続構造のチューブ用継手です。
※チューブの接続には、冶具・工具は不要です。
●難燃性樹脂(UL94規格V-0相当)採用。
※材料に難燃性PBT樹脂採用しています。UL94規格V-0相当で、自己消火性に優れています。スパッタが飛散する環境下で使用できます。
【仕様】
●品番:EUC12
●形状:ユニオンコネクタ(左右同径)ミリサイズチューブ用
●適用チューブ外径(mm):12
●寸法F チューブ挿入長さ(mm):20
●最小内径(mm):11.0
●有効断面積(mm2):67.0
●質量(g):19.0
●使用温度範囲(℃)
・空気:-20~+80
・水:0~+40
●最高使用圧力(MPa):1.0(10Kg/cm2)at 20℃
●材質
・ボデイ(本体)、リリーススリーブ:難燃性PBT樹脂
・チューブシール:特殊NBR
【用途】
●耐スパッタ
●難燃性チューブフィッテイング
●使用流体
・空気、水、薬液配管用
※薬品類の使用温度範囲は、お問い合わせください。
【注意】
※水をご使用の場合、可動部分での配管は避けてください。
●クリーンな環境下で使用する場合は、クリーンレベルの低下に注意してください。
クリーン環境下用フィッテイングはケミフィット継手をご検討ください。
掲載カタログNo-頁 : 10000-0878もしかして....


