プッシュワンE継手 ティー(ミリサイズ) ET6-PT1/4
商品コード: 103-24406
非常備品
適用チューブ外径6㎜ Rネジ1/4インチ
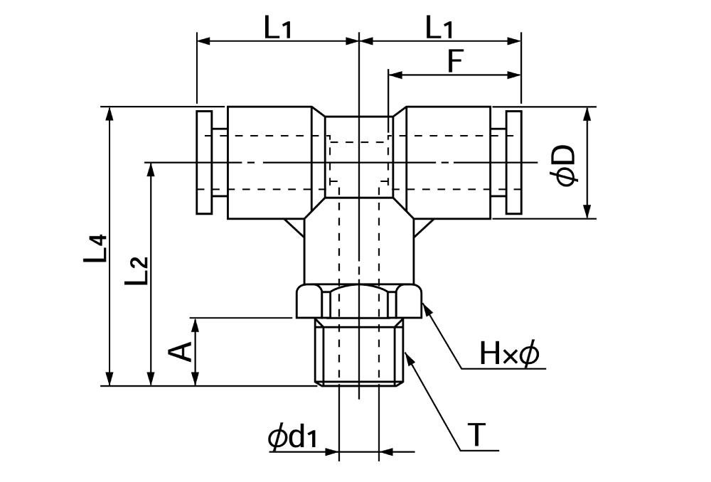
●寸法(mm)/ L1:18.5 L2:29.2 L4:35.5 A:11.0 F:15 H×φ二面幅:14.0×15.4 D:12.6 d1:7.0
●寸法(mm)/ L1:18.5 L2:29.2 L4:35.5 A:11.0 F:15 H×φ二面幅:14.0×15.4 D:12.6 d1:7.0
【特長】
●先端が直角にカットされたチューブ(ミリサイズ規格)を差し込むだけで簡単に取付できるプッシュワン接続構造のチューブ用継手です。
※チューブの接続には、冶具・工具は不要です。
●難燃性樹脂(UL94規格V-0相当)採用。
※材料に難燃性PBT樹脂採用しています。UL94規格V-0相当で、自己消火性に優れています。スパッタが飛散する環境下で使用できます。
●Rねじ部にシール加工シールテープを巻く必要がありません。
【仕様】
●品番:ET6-PT1/4
●形状:ティー(ミリサイズチューブ用)
●適用チューブ外径(mm):6
●ネジ規格(インチ):R1/4
●推奨締付トルク(N・m):7.0~9.0
●寸法F チューブ挿入長さ(mm):15
●最小内径(mm):4.6
●有効断面積(mm2):12.0
●質量(g):21.0
●使用温度範囲(℃)
・空気:-20~+80
・水:0~+40
●最高使用圧力(MPa):1.0(10Kg/cm2)at 20℃
●材質
・ボデイ(本体)、リリーススリーブ:難燃性PBT樹脂
・チューブシール、Oリング:特殊NBR
・アダプタ:黄銅に無電解ニッケルめっき処理
【用途】
●耐スパッタ
●難燃性チューブフィッテイング
●使用流体
・空気、水、薬液配管用
※薬品類の使用温度範囲は、お問い合わせください。
【注意】
※水をご使用の場合、可動部分での配管は避けてください。
●クリーンな環境下で使用する場合は、クリーンレベルの低下に注意してください。
クリーン環境下用フィッテイングはケミフィット継手をご検討ください。
掲載カタログNo-頁 : 10000-0876
●先端が直角にカットされたチューブ(ミリサイズ規格)を差し込むだけで簡単に取付できるプッシュワン接続構造のチューブ用継手です。
※チューブの接続には、冶具・工具は不要です。
●難燃性樹脂(UL94規格V-0相当)採用。
※材料に難燃性PBT樹脂採用しています。UL94規格V-0相当で、自己消火性に優れています。スパッタが飛散する環境下で使用できます。
●Rねじ部にシール加工シールテープを巻く必要がありません。
【仕様】
●品番:ET6-PT1/4
●形状:ティー(ミリサイズチューブ用)
●適用チューブ外径(mm):6
●ネジ規格(インチ):R1/4
●推奨締付トルク(N・m):7.0~9.0
●寸法F チューブ挿入長さ(mm):15
●最小内径(mm):4.6
●有効断面積(mm2):12.0
●質量(g):21.0
●使用温度範囲(℃)
・空気:-20~+80
・水:0~+40
●最高使用圧力(MPa):1.0(10Kg/cm2)at 20℃
●材質
・ボデイ(本体)、リリーススリーブ:難燃性PBT樹脂
・チューブシール、Oリング:特殊NBR
・アダプタ:黄銅に無電解ニッケルめっき処理
【用途】
●耐スパッタ
●難燃性チューブフィッテイング
●使用流体
・空気、水、薬液配管用
※薬品類の使用温度範囲は、お問い合わせください。
【注意】
※水をご使用の場合、可動部分での配管は避けてください。
●クリーンな環境下で使用する場合は、クリーンレベルの低下に注意してください。
クリーン環境下用フィッテイングはケミフィット継手をご検討ください。
