ケミフィットCP ユニオンティー(ミリサイズ)CP-UT10
商品コード: 103-07804
非常備品
適用チューブ 外径:10mm
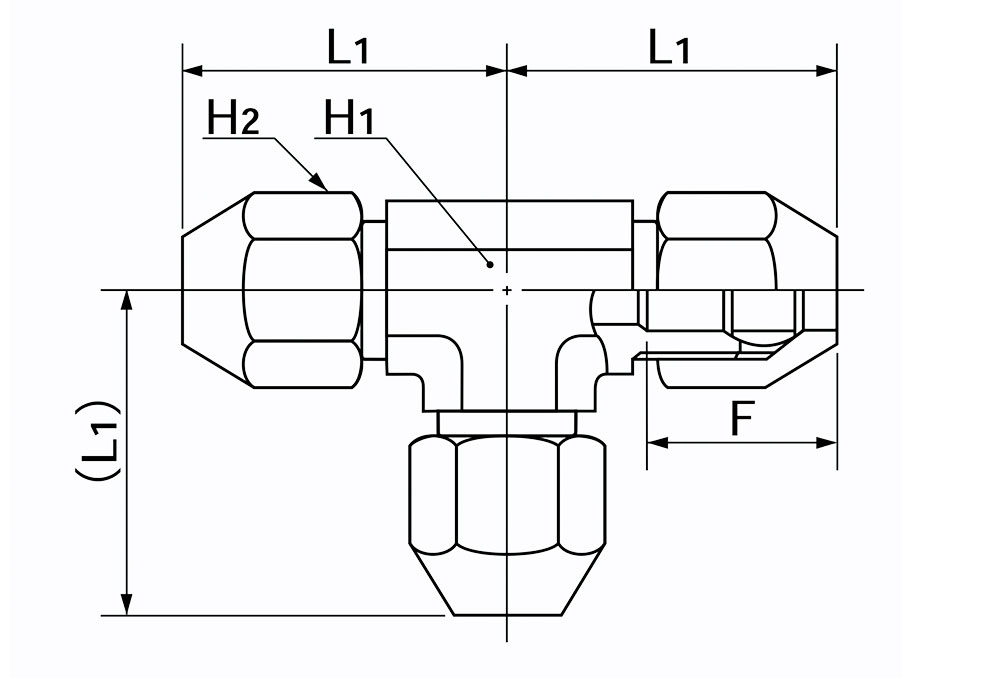
●寸法(mm)/ L1:45.0(44.8) F:29 H1二面幅:12.0 H2二面幅:19.0
●寸法(mm)/ L1:45.0(44.8) F:29 H1二面幅:12.0 H2二面幅:19.0
【特長】
●ミリサイズ
●ポリプロピレン樹脂製のねじ込み式継手です。
●軽量、金属不使用
●完全禁油処理。
●無発塵で非汚染性に優れています。
●内面平滑性に優れています。
●厚生省告示370号(食品衛生法)適合、原材料はポジティブリストに収載
●二重クリーン梱包:超音波洗浄を行い、梱包もクリーンルーム内で行っています。
【仕様】
●品番:CP-UT10
●形状:ユニオンティー
●材質:特殊ポリプロピレン樹脂
●適用チューブ外径(mm):10
●寸法F チューブ挿入長さ(mm):29.0
●最小内径(mm):8.0
●有効断面積(mm2):30.5
●質量(g):15.0
●最高使用圧力(MPa)
・0.4(4.0Kgf/cm2)at20℃
●使用温度範囲(℃)
・空気(クリーンエア):-20~+80
・水(純水)0~+80
●適用チューブ
・ポレオレフィン系樹脂チューブ
PL(柔軟)、PN(超柔軟)
・ふっそ樹脂チューブ
TP、TA
【用途】
●使用流体
・空気(クリーンエアー)水(純水)
・薬液配管用
※薬品配管類の使用温度範囲は、お問い合わせください。
※PLチューブ等、柔軟なチューブにはインサートの適用をおすすめします。
【注意】
※適用チューブとの組み合わせにおいて、チューブの最高使用圧力が低い場合、チューブの最高使用圧力に依存します。
掲載カタログNo-頁 : 10000-0899
●ミリサイズ
●ポリプロピレン樹脂製のねじ込み式継手です。
●軽量、金属不使用
●完全禁油処理。
●無発塵で非汚染性に優れています。
●内面平滑性に優れています。
●厚生省告示370号(食品衛生法)適合、原材料はポジティブリストに収載
●二重クリーン梱包:超音波洗浄を行い、梱包もクリーンルーム内で行っています。
【仕様】
●品番:CP-UT10
●形状:ユニオンティー
●材質:特殊ポリプロピレン樹脂
●適用チューブ外径(mm):10
●寸法F チューブ挿入長さ(mm):29.0
●最小内径(mm):8.0
●有効断面積(mm2):30.5
●質量(g):15.0
●最高使用圧力(MPa)
・0.4(4.0Kgf/cm2)at20℃
●使用温度範囲(℃)
・空気(クリーンエア):-20~+80
・水(純水)0~+80
●適用チューブ
・ポレオレフィン系樹脂チューブ
PL(柔軟)、PN(超柔軟)
・ふっそ樹脂チューブ
TP、TA
【用途】
●使用流体
・空気(クリーンエアー)水(純水)
・薬液配管用
※薬品配管類の使用温度範囲は、お問い合わせください。
※PLチューブ等、柔軟なチューブにはインサートの適用をおすすめします。
【注意】
※適用チューブとの組み合わせにおいて、チューブの最高使用圧力が低い場合、チューブの最高使用圧力に依存します。
掲載カタログNo-頁 : 10000-0899もしかして....



